Комплект раздвижной системы для душевой, AISI 304, шлифованный t401 SSS
Доставка день в день с нашего склада до ТК для отправки в ваш город
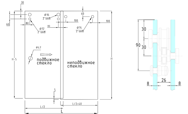
Комплект раздвижной системы для душевой, AISI 304, шлифованный. Толщина стекла равна 8 мм. Максимальный вес двери на одну каретку равен 60 кг.
Раздвижная система устойчива к коррозии, окислению, агрессивной среде, к перепадам температуры.
Комплект готов к использованию - экономит ваше время на подбор деталей по отдельности.
В отличии от конкурентов - в нашем комплекте есть дверная ручка.
Устанавливаем профиля t756 BL на стену и пол где будут неподвижны стекла. Фиксируем стекла в профиля.
Из комплекта берем коннектора стена стена-труба и устанавливаем на стены, где будет проходить трек t401 BL
На треке t401 BL отмечаем места для просверливания тенич. отверстий для креплений трека к стеклу из комплекта.
На трек устанавливаем стопора и крепления трека к стеклу из комплекта к треку. Устанавливаем трек на крепление стена-труба и притягиваем трек к стеклу.
Если в проходе, где дверь установили профиль t756 BL как продление от неподвижного стекла сделав порог, то на профиль устанавливаем заглушку t764 BL -получаем порог для ограничения воды из душевой
С внутренней стороны устанавливаем направляющую для двери (из комплекта)
На дверь устанавливаем верхние ролики из комплекта в подготовленные вырезы в стекле. Сверху накидываем дверь и затягиваем ролики.
Устанавливаем ручку из комплекта, нижние ролики на дверь.
Ставим уплотнители, подрезаем их по нужной длине и высоте.
С помощью шестигранников регулируем стопора чтобы дверь не билась об стену.
Наслаждаемся красивой и герметичной душевой.
Комплект раздвижной системы для душевой, AISI 304, шлифованный. Толщина стекла равна 8 мм. Максимальный вес двери на одну каретку равен 60 кг.
Раздвижная система устойчива к коррозии, окислению, агрессивной среде, к перепадам температуры.
Комплект готов к использованию - экономит ваше время на подбор деталей по отдельности.
В отличии от конкурентов - в нашем комплекте есть дверная ручка.
Устанавливаем профиля t756 BL на стену и пол где будут неподвижны стекла. Фиксируем стекла в профиля.
Из комплекта берем коннектора стена стена-труба и устанавливаем на стены, где будет проходить трек t401 BL
На треке t401 BL отмечаем места для просверливания тенич. отверстий для креплений трека к стеклу из комплекта.
На трек устанавливаем стопора и крепления трека к стеклу из комплекта к треку. Устанавливаем трек на крепление стена-труба и притягиваем трек к стеклу.
Если в проходе, где дверь установили профиль t756 BL как продление от неподвижного стекла сделав порог, то на профиль устанавливаем заглушку t764 BL -получаем порог для ограничения воды из душевой
С внутренней стороны устанавливаем направляющую для двери (из комплекта)
На дверь устанавливаем верхние ролики из комплекта в подготовленные вырезы в стекле. Сверху накидываем дверь и затягиваем ролики.
Устанавливаем ручку из комплекта, нижние ролики на дверь.
Ставим уплотнители, подрезаем их по нужной длине и высоте.
С помощью шестигранников регулируем стопора чтобы дверь не билась об стену.
Наслаждаемся красивой и герметичной душевой.